|
| |
| >> 기술의 핵심 내용 |
| 1. 기존 헤드스프라켓의 문제점 |

<구동부 스프라켓과 구동체인의 감김현상 발생> |
| 2. 해결방안 |
| 1) 상부 레일에 프론트롤러가 먼저 랜딩(착지)함으로 체인말림현상 억제 |
 |
| 2) 하부 레일에 프론트롤러가 먼저 랜딩(착지)함으로 체인이탈 억제 |
 |
| 3) 플라이트와 침전지 바닥레벨의 불균형 해소 |
 |
| |
|
| >> 체인 플라이트 수집기 |
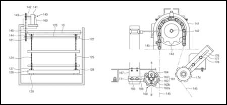
| 1. 구동체인 단락 감지부 및 이를 포함하는 슬러지 수집 시스템(대표) |
 |
| 2. 구동체인 감김현상 해결을 위해 적용된 기술 |
 |
 |
 |
 |
 |
 |
 |
| 본체용체인 감김현상 발생 |
|
감김현상에 의한 설비 파손 |
|
프론트롤러 적용 |
|
에어링슈제거로 사고발생억제 |
|
| 3. 플라이트의 손상 방지 및 수집효율 향상을 위해 적용된 기술 |
 |
|
|
|